Номинальный ток 80А напрямую
Сертифицированный MID
Высокий класс точности C
Монтаж на DIN-рейку 35 мм
Импульсный выход
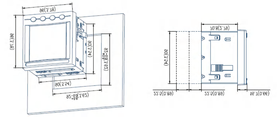
4 модуля шириной 72 мм
Для управления энергопотреблением Интернета вещей, на заводе, в школе
Истинные среднеквадратические измерения
КНИ с 63-й гармоникой
K-фактор и крест-фактор
Дисбаланс и фазовые углы
Потребности и многотарифная энергия
Макс/мин журнал с отметкой времени
+86-18702106858 / +86-21-69156352
APM810 — это многофункциональный панельный счетчик трехфазного переменного тока класса 0,2S, предназначенный для точного мониторинга энергопотребления, диагностики качества электроэнергии и выставления счетов арендаторам в промышленных, коммерческих распределительных щитах и центрах обработки данных. Компактный корпус DIN размером 96×96 мм оснащен цветным сенсорным TFT-экраном, который отображает истинное среднеквадратичное значение напряжения до 690 В, ток, частоту, активную/реактивную/полную мощность, коэффициент мощности, потребляемую мощность, гармоники до 63-й, общий коэффициент гармоник и четырехквадрантный кВтч/кварч. Двойной RS485 Modbus-RTU, Ethernet TCP/IP, BACnet/IP, SNMP и дополнительный Wi-Fi/LoRa обеспечивают плавную интеграцию BMS/EMS, а встроенная память объемом 4 МБ записывает 12-месячные профили нагрузки для энергоаудита. Настраиваемые сигналы тревоги повышенного/пониженного напряжения, тока, коэффициента мощности и гармоник управляют релейными выходами или цифровыми входами для интеллектуального управления выключателем; Регистры импульсов, SOE и тарифов TOU поддерживают приложения AMI для коммунальных предприятий, измерения солнечной энергии и зарядку электромобилей. Широкие 3 × 57,7–690 В, 0,001–10 А, прямое подключение или подключение ТТ/ТН, а также герметизация, защищающая от несанкционированного доступа, подходят для любого развертывания интеллектуальной или микросети.
| Технические параметры | Значение | |||
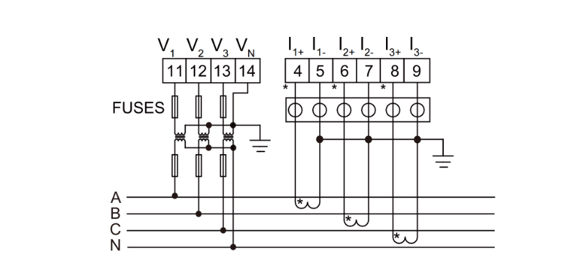
| Ввод | Подключение | Однофазный 2-проводной, 3-фазный 3-проводной, 3-фазный 4-проводной | ||
| Частота | 45-65 Гц | |||
| Напряжение | Рейтинг: | |||
| однофазный: переменный ток 100 В, 400 В | ||||
| Трехфазный: переменный ток 3 × 57,7 В/100 В (100 В), 3 × 220 В/380 В (400 В), 3 × 380 В/660 В (660 В) (только размер 96) | ||||
| Перегрузка: рейтинг в 1,2 раза (непрерывный): рейтинг в 2 раза в течение 1 секунды. | ||||
| Потребляемая мощность: < 0,5 ВА | ||||
| Текущий | Рейтинг: AC IA、5A | |||
| Перегрузка: 1,2-кратная оценка (непрерывная); 10-кратная оценка в течение 1 секунды. | ||||
| Потребляемая мощность: < 0,5 ВА | ||||
| Выход | Электрическая энергия | Выход mode:open-collector photo-coupler pulse | ||
| Постоянная импульса: 10000 имп/кВтч (настраиваемая), подробности см. на схеме подключения; | ||||
| Общение | Порт RS485, протокол Modbus-RTU, протокол DLT645 (версии 07 и 97), | |||
| скорость передачи данных 1200 ~ 38400 бод | ||||
| Функция | Переключающий вход | Вход с сухим контактом, встроенный источник питания; если модель KA, активен переменный ток 220 В. | ||
| Коммутационный выход | Выход mode: Relay normally open contact output | |||
| Емкость контактов: 250 В переменного тока/3 А, 30 В постоянного тока/3 А. | ||||
| Аналоговый выход | 4–20 мА | |||
| Класс точности | Частота:0.05Hz,Current、Voltage:0.2 class,Reactive power:l .0class,Reactive Electric energy:l .0class, active power:0.5class,active electric energy: 0.5class,2-31th harmonic measurement:±1% | |||
| Источник питания | 85–265 В переменного/постоянного тока или 24 В постоянного тока (±20%) или 48 В постоянного тока (±20%) | |||
| потребляемая мощность≤10ВА | ||||
| Безопасность | Выдерживаемое напряжение промышленной частоты | Между источником питания//коммутационным выходом// токовым входом//входом напряжения и передачей// связью //импульсным выходом//коммутационным входом переменного тока 2 кВ 1 мин; | ||
| Между источником питания, коммутационным выходом, входным током, входным напряжением переменного тока 2 кВ 1 мин; | ||||
| Между передачей, связью, импульсным выходом, коммутационным входом переменного тока 1 кВ 1 мин; | ||||
| Сопротивление изоляции | Ввод、Output end to machine enclosure >100MΩ | |||
| Окружающая среда | Температура | работа: -25°C~ 65°C хранение: -40°C ~ 80°C | ||
| Влажность | ≤93% относительной влажности, без конденсации | |||
| Высота | ≤2500м | |||
Решение для мониторинга электропитания
Компания Acrel Co., Ltd. (код акции: 300286.SZ), основанная в 2003 году, является высокотехнологичным предприятием, специализирующимся на решениях в области управления энергопотреблением и электробезопасности. Штаб-квартира компании находится в Шанхае. Acrel предлагает инновационные и устойчивые решения для повышения энергоэффективности микросетей и обеспечения электробезопасности. Обладая более чем 600 патентами и авторскими правами на программное обеспечение, Acrel внедрила более 28 000 системных решений по всему миру, сформировав комплексную архитектуру энергетического интернета «облако-периферия-конец».
Acrel Co., Ltd. является Китайская оптовая торговля Трехфазный программируемый счетчик энергии переменного тока, устанавливаемый на панели Производители и Трехфазный программируемый счетчик энергии переменного тока, устанавливаемый на панели Фабрика. Интегрированная продуктовая экосистема Acrel охватывает все аспекты — от программного обеспечения облачной платформы до компонентов для конечных пользователей, включая такие сектора, как энергетика, возобновляемая энергия, центры обработки данных, интеллектуальные здания, транспорт и умные города. Эти решения обеспечивают интеллектуальное управление энергопотреблением в режиме реального времени, повышая энергетическую безопасность и снижая эксплуатационные расходы. Мы предлагаем Трехфазный программируемый счетчик энергии переменного тока, устанавливаемый на панели для продажи.
Производственное предприятие компании, Jiangsu Acrel Electric Manufacturing Co., Ltd., придерживается строгих стандартов качества и экологических норм, располагает передовыми испытательными центрами и стремится к использованию бессвинцовых производственных процессов. Команда Acrel, насчитывающая более 500 инженеров, разрабатывает передовые системы энергоэффективности и интеллектуальные энергетические решения.
Компания Acrel, имеющая прочные позиции на внутреннем рынке, активно расширяется на международном уровне, опираясь на глобальную сеть отделов продаж и технической поддержки, а также платформу электронной коммерции, обеспечивающую бесперебойное обслуживание по всему миру. Acrel гордится тем, что помогает предприятиям повышать эффективность, сокращать потребление и достигать целей в области устойчивого развития.
Вместе мы строим более разумное и экологичное будущее.
Авторизованные патенты
0+Количество обслуженных клиентов
0+Общее количество сотрудников
0+Производственная база
0m²Добро пожаловать на подключение В условиях быстрого развития новой энергетики возможны такие сценарии, как коммерческое и промышленное хранение энергии , станции замены аккумуляторов и бытовые фотоэлектрические системы хранения предъявили более высокие требования к ...
Читать далееПредыстория отрасли и важность применения Шины служат основой систем распределения электроэнергии в различных отраслях: от распределительных устройств, промышленных приводов, инверторов возобновляемой энергии, систем хранения аккумуляторной энергии (BESS) и силовой электроники электромобилей. ...
Читать далееПредыстория отрасли и важность применения Быстрое внедрение электромобилей (EV) приводит к появлению новых требований к инфраструктуре в многоквартирных жилых комплексах, таких как жилые комплексы, многофункциональные здания и многоквартирные дома. В отличие от домов на одну семью, в квартирах...
Читать далее