Применение медицинской ИТ-системы Acrel в больницах Малайзии
Главная / Проекты / Больница / Применение медицинской ИТ-системы Acrel в больницах Малайзии

Применение медицинской ИТ-системы Acrel в больницах Малайзии

С ростом использования электронного медицинского оборудования в больницах риск утечки тока представляет собой серьезную угрозу безопасности пациентов, особенно в отделениях интенсивной терапии. Во время хирургических процедур или анестезии пациенты напрямую подключаются к различным электродам и датчикам. Даже минимальные токи утечки могут вызвать поражение электрическим током при прямом контакте медицинских изделий с телом человека.

Кроме того, оборудование жизнеобеспечения для пациентов в критическом состоянии должно поддерживать бесперебойную работу. Любое отключение электроэнергии может немедленно поставить под угрозу жизнь пациентов. Таким образом, электрические системы больниц должны строго соответствовать национальным стандартам путем внедрения систем электропитания ИТ в специально отведенных местах.

Этот практический пример демонстрирует применение медицинской изолированной системы электропитания Acrel в Малайзии, включающей:

Распределение мощности медицинских ИТ

Устройства контроля изоляции

Системы определения места повреждения

Свяжитесь с нами
  • Обзор проекта
  • Обзор проекта
    Малайзийский I.E.D расположен в СЕЛАНГОР-ДАРУЛ-ЭХСАН, проект в основном используется в островной больнице в Малайзии, продукты используются для определения места повреждения изоляции в 12 цепях для 3-х комплектов изолированной энергосистемы больницы, сопутствующими продуктами являются устройство контроля изоляции AIM-M200, генератор тестового сигнала ASG150, централизованный индикатор сигнализации AID150, детектор повреждения изоляции AIL150-8, AIL150-4 и трансформатор тока утечки. АХ-0,66П26.


    Введение в медицинскую ИТ-систему
    Устройство контроля изоляции медицинской IT-системы ACREL и система определения неисправностей подходят для больничных операционных, отделений интенсивной терапии (CCU) и других важных мест и могут обеспечить безопасное место для таких непрерывных и надежных решений электропитания.


    Решение по электропитанию для медицинских учреждений
    Распределительные решения в отделениях интенсивной терапии, отделениях интенсивной терапии (например, схема изолированного электрошкафа GGF-I8G)


    Вариант I без функции определения места повреждения


    Вариант II с функцией определения места повреждения

    ПРИМЕЧАНИЕ. В решениях по распределению электроэнергии в отделении интенсивной терапии централизованное устройство сигнализации и отображения серии AID должно быть установлено на посте медсестер, персонал поста медсестер контролирует рабочее состояние каждой изолированной системы питания.


    Решения для распределения в операционной (например, схема системы изолированного электрического шкафа GGF-O8G)

    Вариант I без функции определения места повреждения изоляции


    Вариант II с функцией определения места повреждения изоляции

    1. В решениях по распределению электроэнергии в операционной серии внешних устройств сигнализации и отображения AID следует устанавливать на интеллектуальной панели внутри операционной или рядом с интеллектуальной панелью (настенная установка). Во время операции медицинский персонал следит за исправностью изолированной энергосистемы.

    2. В схеме с функцией определения места повреждения изоляции при количестве обнаруживаемых каналов более восьми можно использовать два комплекта локаторов АИЛ150. Комбинация может быть AIL150-8 и AIL150-4 (до 12 каналов) или AIL150-8 и AIL150-8 (до 16 каналов).

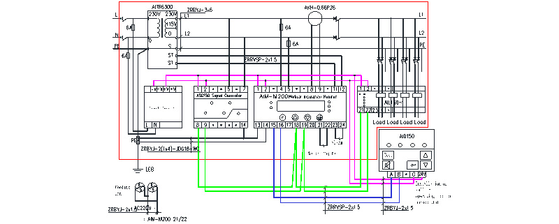
    3. Типовая схема подключения






    4. Внедрение 7-компонентных медицинских ИТ

    Название и тип продукта Изображение продукта Описание
    Медицинский изолирующий трансформатор серии AITR Изолирующий трансформатор серии AITR специально используется в медицинских ИТ-системах. Обмотки имеют двойную изоляцию и электростатический экранирующий слой, который уменьшает электромагнитные помехи между обмотками. Датчик температуры PT100 установлен в проволочном мешке для контроля температуры трансформатора. Весь кузов обработан вакуумно-инвазионной краской, что повышает механическую прочность и устойчивость к коррозии. Продукт имеет хорошие характеристики повышения температуры и очень низкий уровень шума.
    Медицинский интеллектуальный прибор контроля изоляции AIM-M200 Медицинский интеллектуальный прибор для контроля изоляции AIM-M200 использует передовую технологию микроконтроллера, которая имеет высокую степень интеграции, компактный размер, удобную установку и объединяет в себе интеллектуальные возможности, цифровизацию и работу в сети. Это идеальный выбор для контроля изоляции изолированных энергосистем в медицинских помещениях класса 2, таких как операционные и отделения интенсивной терапии.
    Трансформатор тока АКХ-0,66П26 Трансформатор тока типа AKH-O 66P26 представляет собой защитный трансформатор тока, поддерживающий устройство контроля изоляции AIM-M200, максимальный измеряемый ток которого составляет 60 А, а коэффициент трансформации составляет 2000:1. Трансформатор тока закрепляется непосредственно внутри шкафа с помощью винтов, а вторичная сторона выводится наружу с помощью клеммы, что удобно в установке и использовании.
    Идентификатор повреждения изоляции AIL150-4/AIL150-8 Идентификатор повреждения изоляции AIL150-4/AIL150-8 adopts high sensitivity transformer combined with a high precision signal detecting circuit, which detects the signal imported into the system from the ASG150 test signal generator and accurately locates the circuits which have insulation faults. AIL150-4 insulation fault locator can locate the insulation faults of 4 circuits, and the AIL150-8 insulation fault locator can locate the insulation faults of 8 circuits.
    Генератор тестовых сигналов ASG150 Генератор тестовых сигналов ASG150 оснащен 32-битным микропроцессором и высокоточной схемой генерации сигналов для реализации генерации специального тестового сигнала. Если в контролируемой IT-системе возникают повреждения изоляции, она может запуститься и вовремя подать тестовый сигнал, работая с устройством обнаружения повреждений изоляции, чтобы определить местонахождение повреждения изоляции.
    Модуль питания HDR-60-24 Источник питания постоянного тока HDR-60-24 может одновременно обеспечивать питание 24 В постоянного тока для AIM-M200.
    медицинский интеллектуальный прибор для контроля изоляции, генератор тестовых сигналов ASG150, детектор повреждений изоляции серии AIL150 и прибор централизованной сигнализации и индикации AID150. Источник питания имеет большую мощность, стабильное выходное напряжение и удобен в установке, что может удовлетворить требования к источнику питания вышеупомянутых счетчиков и является рекомендуемым источником питания.
    AID1 50 централизованный прибор сигнализации и индикации Централизованный прибор сигнализации и отображения AID150 оснащен жидкокристаллическим ЖК-дисплеем и обеспечивает обмен данными с медицинским интеллектуальным прибором контроля изоляции AIM-M200 через интерфейс связи RS485, который может в режиме реального времени отслеживать многоканальные данные медицинского интеллектуального прибора контроля изоляции AIM-M200.

    Фотографии на месте



Acrel Co., Ltd.