
language
Добро пожаловать на подключение
В условиях быстрого развития новой энергетики возможны такие сценарии, как коммерческое и промышленное хранение энергии , станции замены аккумуляторов и бытовые фотоэлектрические системы хранения предъявили более высокие требования к точность, совместимость и интеллект из учет электроэнергии . Компания Acrel Electric разработала полный спектр новых контрольно-измерительных решений для энергообеспечения. Эти решения специально разработаны с учетом основных требований различных сценариев применения, охватывая потребности измерения от бытовых маломощных приложений до крупномасштабных промышленных и коммерческих систем хранения энергии. Решения обеспечивают надежную поддержку стабильной работы и точного учета новых энергетических систем.
Бытовые фотоэлектрические системы и накопители энергии представляют собой важный сценарий применения для популяризации новой энергии. Компания Acrel разработала высокосовместимые инструментальные продукты, предназначенные для различных подсценариев, в том числе согласование инверторов для хранения энергии, интеграция гибридных инверторов, балконные фотоэлектрические системы хранения и двухточечные прозрачные системы хранения микроэнергии . Эти продукты сочетают в себе интеграцию, скорость измерений и гибкость связи.
В ответ на рыночные характеристики мультибрендовой совместимости в фотоэлектрических системах и системах хранения энергии, конфигурация RS485 CT принята с учетом неопределенных условий установки для профессиональных агентов. Приборы сертифицированы международными сертификатами CE-MID, UL и RCM. Благодаря высокоскоростной частоте обновления данных 50 мс устройства также поддерживают регулировку последовательности фаз, обеспечивая точное измерение и надежную совместимость.
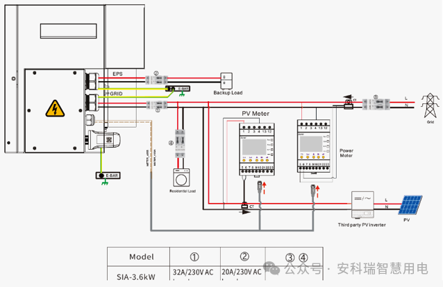
Для удовлетворения высоких требований к интеграции универсальных инверторных накопителей энергии и требований к двухканальному измерению в сценариях модернизации приборы оснащены клеммами быстрого подключения по напряжению и току и коммуникационными портами RJ45. Они также поддерживают частоту обновления данных 50 мс и регулировку последовательности фаз, а также комплексную систему сертификации, что делает их пригодными как для модернизации, так и для новых сценариев установки.
Это решение, разработанное специально для маломощных распределенных фотоэлектрических систем и систем хранения энергии на балконах, сочетает в себе высокую степень интеграции с удобством установки и ввода в эксплуатацию. В дополнение к двухканальные измерительные и быстросъемные клеммы , он также поддерживает Функции отладки WiFi, Wi-Fi ХаЛоу и Bluetooth . Беспроводная конструкция значительно упрощает установку в небольших масштабах, а продукт имеет сертификат CE-RED.
Для решения плохое проникновение и нестабильная работа сети из traditional WiFi in micro-energy storage scenarios, WiFi HaLow Применяется технология связи (Sub-1 ГГц). По сравнению с традиционным Wi-Fi он обеспечивает более высокую проникающую способность и большую дальность передачи. По сравнению со связью LoRa она обеспечивает более высокую скорость передачи и лучшую стабильность. Прибор изначально поддерживает эту технологию, требуя только дополнительной точки доступа на стороне инвертора для обеспечения беспроводной связи. Он также поддерживает быструю конфигурацию сети «один-к-одному» и «один-ко-многим», что делает его пригодным для бытовых мультиинверторных и балконных микросистем хранения данных.
Промышленные и коммерческие хранилища энергии, крупномасштабные хранилища энергии и станции замены батарей требуют строгих стандартов точности измерений, скорости обновления, гибкости установки и соответствия нормативным требованиям. Компания Acrel предлагает встраиваемые и монтируемые на DIN-рейку измерительные приборы, отвечающие таким ключевым требованиям, как многотарифное выставление счетов, учет потребления, защита от обратного потока мощности и беспроводная связь , поддерживая как новые установки, так и модифицированные приложения.
APM521 получил зарубежный сертификат CSA (UL) и обеспечивает точность измерения активной энергии до класса 0,2 с (класс D). Он оснащен SD-картой для хранения электрических параметров в реальном времени. Модульная конструкция модуля расширения основного блока поддерживает как встроенный монтаж, так и монтаж на DIN-рейку, удовлетворяя разнообразные требования к установке в новых проектах.
Это счетчик класса 0,5S с внешним трансформатором тока, широко используемый в крупных клиентских приложениях. Он поддерживает модернизированную проводку вторичного трансформатора тока и может напрямую ограничивать ток вторичной обмотки существующих трансформаторов тока, что делает его очень подходящим для проектов модернизации счетчиков. Продукт имеет сертификаты CPA, CE и UL, а также может быть модифицирован в версию с высокоскоростным обновлением для удовлетворения требований высокопроизводительных приложений.
Кроме того, промышленные и коммерческие решения также включают функции защиты от перегрузки. Система может быть подключена к сценариям хранения энергии на стороне высокого и низкого напряжения и может работать с многотарифными счетчиками электроэнергии для достижения точного учета электроэнергии при различных структурах тарифов, обеспечивая комплексную поддержку безопасности и управления энергопотреблением для промышленных и коммерческих систем хранения энергии и станций замены аккумуляторов.
В контексте постоянной модернизации новой энергетической отрасли Acrel продолжит концентрироваться на инновациях и дальнейшем совершенствовании своих технологий и систем продуктов, поддерживающих новую энергетику. Компания стремится обеспечить более эффективные, интеллектуальные и надежные учет электроэнергии solutions для коммерческих и промышленных накопителей энергии, станций замены аккумуляторов и бытовых фотоэлектрических накопителей, что способствует качественному развитию новой энергетической отрасли.
Авторские права © Acrel Co., Ltd. Все права защищены.
